Máy sàng lọc dạng cốc
Về cơ bản, chuyển động của Máy sàng lọc có thể được so sánh với việc sàng lọc bằng tay tự nhiên. Đối với việc sàng lọc có kiểm soát, phân đoạn và loại bỏ bụi của các sản phẩm khô, dạng bột và dạng hạt. Đặc biệt thích hợp cho tốc độ nạp liệu cao và phân tách nhiều tầng các sản phẩm mịn, nhẹ, khó sàng lọc.
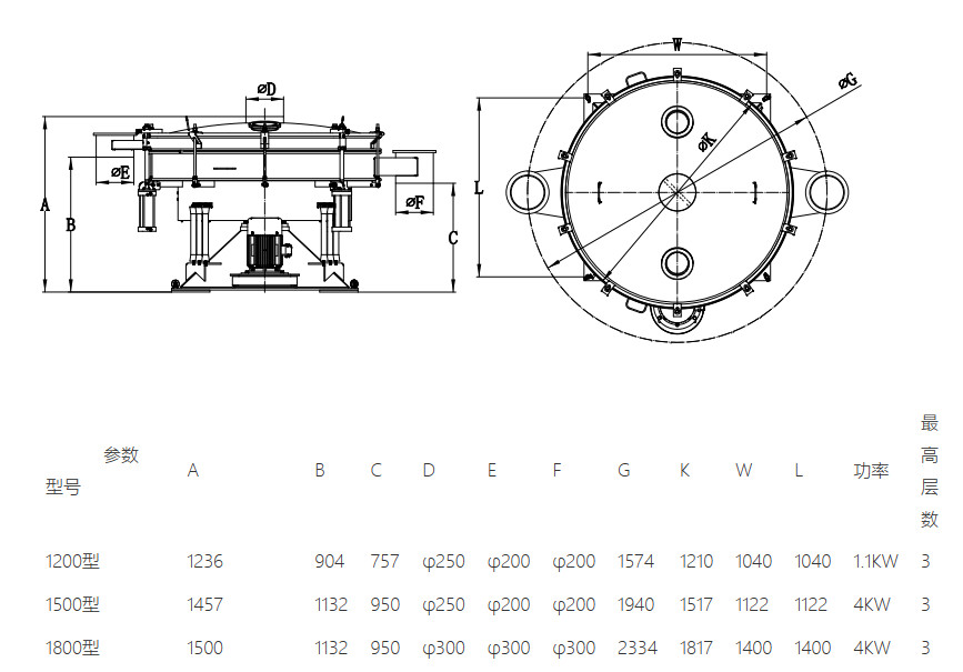
Mô tả thêm
Máy sàng lọc là một loại phát triển từ màn hình nhân tạo. Sự chuyển động của chuyển động tròn và tung (chuyển động parabol hướng lên) được thể hiện đầy đủ. Bằng cách điều chỉnh góc Radial và góc Tangential để thay đổi biên độ của chuyển động tròn và tung. Công nghệ và thiết kế tiên tiến cho hiệu suất tốt hơn trong màn hình tròn! Chuyển động của sàng lật là chuyển động con lắc kép được tạo ra bởi động cơ thẳng đứng thông thường dẫn động bánh xe lệch tâm. Vật liệu tạo thành chuyển động parabol tiếp đất dần dần đều đặn bằng cách điều chỉnh góc hướng tâm và góc tiếp tuyến.


中文 (台灣)
English
















![[KIM LOẠI & PHI KIM LOẠI] MÁY CẮT LASER](https://dinhuy.com.vn/wp-content/uploads/2023/05/may-cat-laser-klpkl-300x300.jpg)
![[RAGOS] Hệ Thống Gia Công Uốn Kim Loại Tự Động](https://dinhuy.com.vn/wp-content/uploads/2023/12/May-Uon-Kim-Loai-Tu-Dong-Dong-AG-1000-1500-300x300.jpg)

![MÁY CẮT KIM LOẠI BẰNG SỢI QUANG [LASER FIBER]](https://dinhuy.com.vn/wp-content/uploads/2023/05/may-cat-kl-bang-soi-quang-300x300.jpg)

Đánh giá
Chưa có đánh giá nào.